|
在他看来,产品原型很重要,但更重要的是流程和产品思维,只有将思路,流程梳理清楚了,产品工作也就完成了一半。
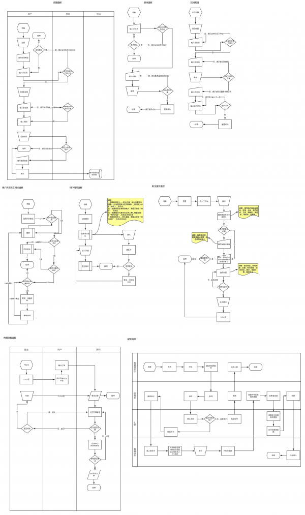
去年,应公司远程医疗部总经理的要求,自己有幸和另外一个同事负责了一个医疗产品项目,根据需求出具了产品流程,原型及其PRD,最终按时交付。 说明:这个项目我们不过多介绍产品的实施可行性,只做该项目的设计部分总结。 一、项目介绍 该项目刚开始是另外一个团队负责,但是由于不是公司重点项目,异地办公等原因,一期产品拖了很久才上线,而且很多的功能流程关联性极差,因此将二期该项目转给北京的产品团队,希望协助完成需求。 二. 商业模式 由于是从0到1的新产品,前期的需求调研也相应的做了一些,开始将公司现有的业务线与新产品进行融合,从而完成就医买药的闭环型服务。其实对于该产品的商业模式,无非是利用社区医院资源,将处方与内部现有电商业务融合,通过赚取药品佣金实现盈利。 三. 项目设计步骤 经过一周的业务调研,需求分析,最终将业务流程图整理出来和负责人沟通,确认,同时也确认了最终的产品用户群。 用户场景预设 一个社区用户因为身体不舒服,进入社区诊所;通过医生诊治后,开具处方; 药师人员进行处方审核,审核通过后; 电商配送人员按处方拿药,进行药品配送; 社区用户收药后付款,配送人员返回库房 业务流程梳理
整体系统架构
功能流程 按照页面及其功能流程,将每个流程都梳理整理了一遍;包括登录,注册,找回密码,问诊流程,配送流程等。
原型,PRD输出 按照分工,我主要负责前台原型,虽然后台也做了一部分,但是在此不做过多阐述 根据流程大概确定了前台都有哪些页面及其页面功能后,开始着手按业务需求画原型,截取部分原型:
总结 这个项目产品只负责了产品设计,后期的产品运营和项目跟进由单独的团队跟进,所以开发过程中的细节我就不做过多介绍了。 当然了,也想通过这个项目的设计总结告诉产品新人:做产品一定要切忌先画原型,在业务流程,功能流程,页面和功能没有确认,梳理完成前,画原型实在是扯淡;就算画出来了,评审时你会发现很多的坑,讲解需求时流程串联不起来的情况也大有人在;因此做产品,个人一直都认为原型重要,但更重要的是流程和产品思维,只有将思路,流程梳理清楚了,产品工作也就完成了一半。 (责任编辑:admin) |











